This frame size 60x60mm NEMA 24 closed loop stepper motor, equipped with a 1000PPE incremental optical encoder, has a rated current of 5.0A and a strong holding torque of 3.0Nm. It is widely used for CNC machines, robots, 3D printing, etc.
NEMA 24 Closed Loop Stepper Motor Specification
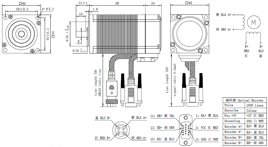
Part Number: 60AI86EC-1000
Step Angle: 1.8deg
Bipolar/Unipolar: Bipolar
Holding Torque: 3.0Nm
Rated Current/phase: 5.0A
Driving Voltage: 24-48VDC
Frame Size: 60x60mm
Body Length: 110mm
Shaft Diameter: Φ10mm
Shaft Length: 21mm
D-cut Length: 15mm
Encoder Type: Incremental Optical
Encoder Resolution: 1000PPR
Drive Voltage: 24-50VDC
Drive Current: 0-6.0A
Overall Size

Reviews
There are no reviews yet.