NEMA 34 Closed loop Stepper Motor: These frame size 86x86mm series NEMA 34 closed-loop stepper motors, equipped with a 1000PPR incremental optical encoder, have great holding torque 4.5Nm, 8.5Nm and 12Nm. They offers higher accuracy, higher output torque, higher speed, lower motor heating, lower power consumption, and faster response to drive controllers compared to open loop stepper motors. It is widely used for 3D printing, CNC machines, robotics, medical devices, secutiry and monitoring, etc.
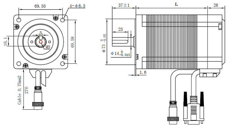
NEMA 34 Closed loop Stepper Motor Specification
- Step Angle: 1.8deg
Bipolar/Unipolar: Bipolar
Driving Voltage: 24-72VDC
Frame Size: 86x86mm
Shaft Diameter: Φ14mm
Shaft Length: 37mm
Keyway Length: 25mm
Encoder Type: Incremental Optical
Encoder Resolution: 1000PPR
86AI76EC-1000(L=76mm): 4.5Nm, 6A, total length 102mm
86AI115EC-1000(L=115mm): 8.5Nm, 6A, total length 141mm
86AI151EC-1000(L=151mm): 12Nm, 6A, total length 177mm
Overall Size

Reviews
There are no reviews yet.