NEMA 11 Closed-loop Stepper with Gearbox: This small geared closed-loop stepper motor has a frame size 28-32mm with rated current 1a, integrated with a HP series high precision planetary gearbox & a 1000cpr resolution incremental optical encoder. It is an an ideal choice for the applications that require high torque or low speed but high precision motion control and positioning feedback.
NEMA 11 Closed-loop Stepper with Gearbox Specification

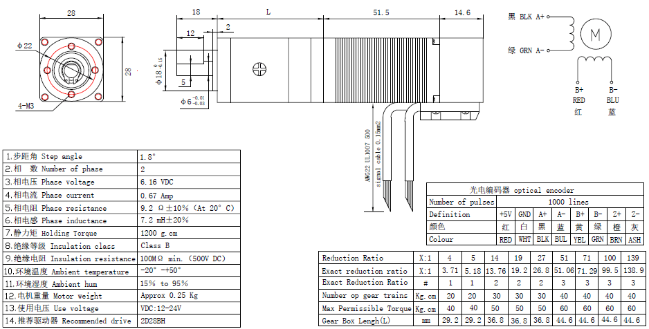
- Part Number: 28AI51EC-PGXX
- Step Angle: 1.8deg w/o gearbox
- Bi/Unipolar: Bipolar
- Holding Torque: 0.12Nm w/o gearbox
- Rated Current/phase: 0.67A
- Frame Size: 28x28mm
- Motor Length: 51mm
- Number of Leads: 4
- Lead Length: 500mm
- Encoder Type: Incremental Optical
- Encoder Resolution: 1000CPR
- Gearbox Type: Planetary
- Gear Ratio: 5-139:1
- Efficiency: 90%-70%
- Backlash at No-load: 1.0deg-2.0deg
- Gearbox Length: 29.2mm-44.6mm
- Shaft Diameter: Φ6mm
- Shaft Length: 18mm
- D-cut Length: 12mm
- Stepper Drive: CL42C
Overall Size

Gearbox Length(L)=29.2mm for ratio 5/1, 36.8mm for ratio 14/1, 19/1, 27/1, 44.6mm for ratio 51/1, 100/1.
If you need a PDF data sheet, please send the email to: info@frankhumotor.com!
Reviews
There are no reviews yet.