NEMA 23 High Precision Geared Stepper: This big geared stepper motor has a frame size 57-76mm with rated current 4.2a, integrated with PE series high precision round planetary gearbox that has a wide range of gear ratio 3 to 100. It is an ideal choice for the applications that require high torque or low speed but high precision motion control.
NEMA 23 High Precision Geared Stepper Specification

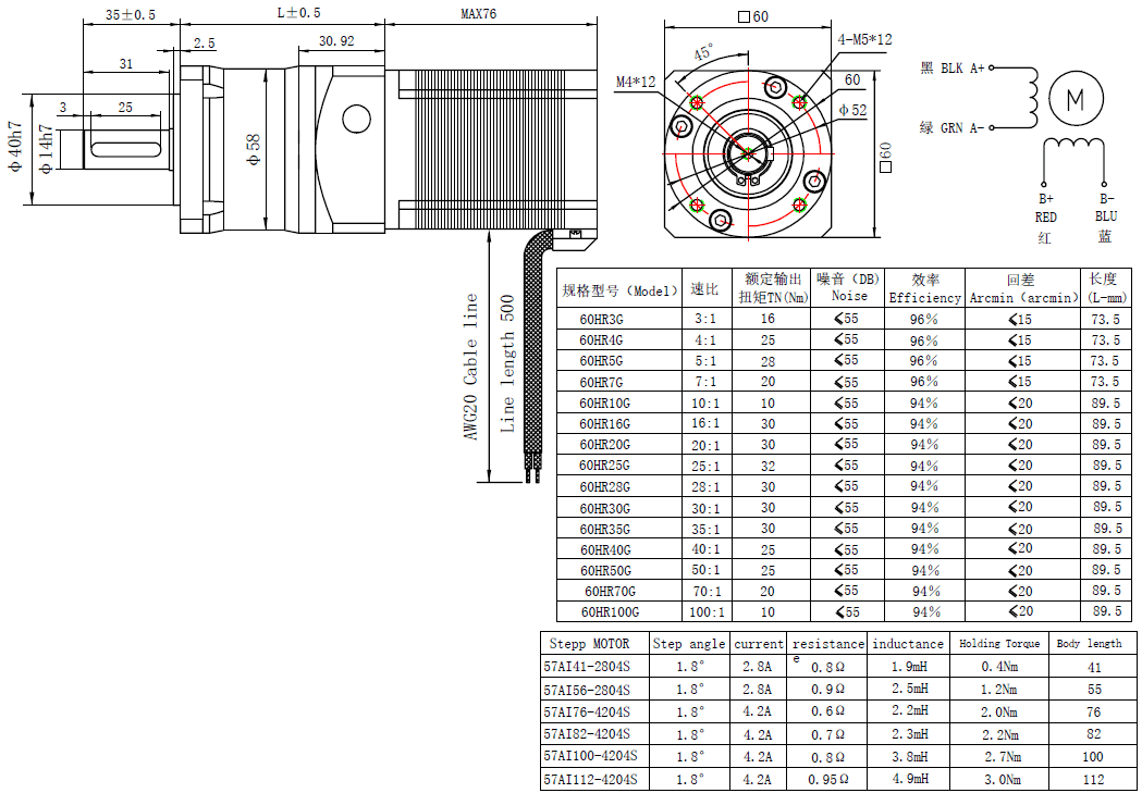
- Part Number: 57AI76-4204S-PEXX
- Step Angle: 1.8deg w/o gearbox
- Bi/Unipolar: Bipolar
- Holding Torque: 2.0Nm w/o gearbox
- Rated Current/phase: 4.2A
- Frame Size: 57x57mm
- Motor Length: 76mm
- Number of Leads: 4
- Lead Length: 500mm
- Gearbox Type: Planetary
- Gear Ratio: 3-100:1
- Efficiency: 96%-94%
- Backlash at No-load: 15arcmin-20arcmin
- Gearbox Length: 73.5mm-89.5mm
- Shaft Diameter: Φ14mm
- Shaft Length: 35mm
- Keyway Length: 25mm
- Stepper Drive: DM556
Overall Size

Gearbox Length(L)=73.5mm for ratio 4/1, 5/1; 89.5mm for ratio 20/1, 50/1, 100/1
Motor 4 Leads Connection: A+(Black), A-(Green); B+(Red), B-(Blue)
If you need a PDF data sheet, please send the email to: info@frankhumotor.com!
Reviews
There are no reviews yet.