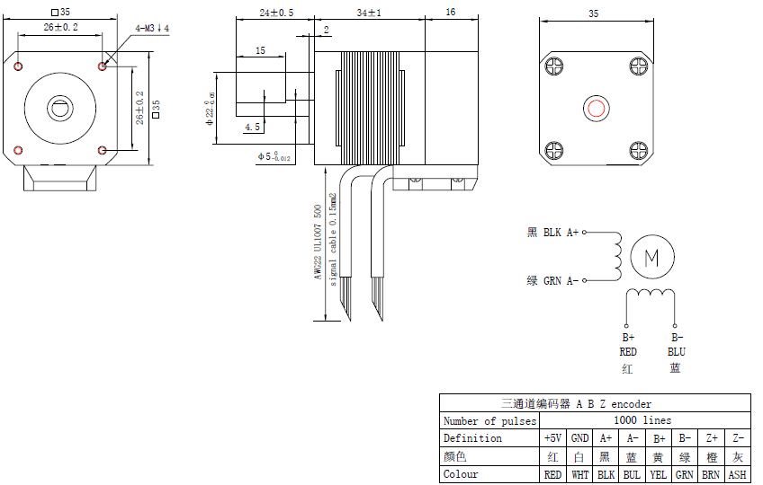
NEMA 14 closed loop stepper motor 35AI34EC-1000 has a frame size 35x35mm , equipped with a 1000PPR incremental optical encoder, has a rated current of 1.95A and a holding torque of 0.22Nm. It offers higher accuracy, higher output torque, higher speed, lower motor heating, lower power consumption, and faster response to drive controllers compared to open loop stepper motors.
NEMA 14 closed loop stepper motor Specification
- Part Number: 35AI34EC-1000
Step Angle: 1.8deg
Bipolar/Unipolar: Bipolar
Holding Torque: 0.22Nm
Rated Current/phase: 1.95A
Driving Voltage: 12-24VDC
Frame Size: 35x35mm
Body Length: 50mm
Shaft Diameter: Φ5mm
Shaft Length: 24mm
D-cut Length: 15mm
Encoder Type: Incremental Optical
Encoder Resolution: 1000PPR
Overall Size

Reviews
There are no reviews yet.