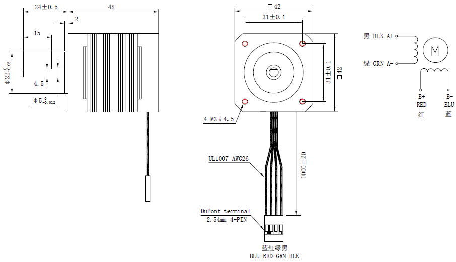
NEMA 17 Stepper Motor 0-59Nm: This size 42mm NEMA 17 hybrid bipolar stepping motor has a 1.8° step angle(200 steps/revolution) and a moderate body length 48mm. Each phase draws a low current 2A, allowing for a strong holding torque of 0.59Nm. A 1000mm cable with DuPont 4 pin 2.54mm pitch conenctor is available.
NEMA 17 Stepper Motor 0-59Nm Specification

- Part Number: 42AI48-2004S1
- Step Angle: 1.8deg
- Bipolar/Unipolar: Bipolar
- Holding Torque: 0.59Nm
- Rated Current/phase: 2.0A
- Phase Resistance: 1.4ohms
- Inductance: 3.0mH
- Driving Voltage: 12-24VDC
- Frame Size: 42x42mm
- Body Length: 48mm
- Shaft Diameter: Φ5mm
- Shaft Length: 24mm
- D-cut Length: 15mm
- Number of Leads: 4
- Lead Length: 1000mm
- Weight: 400g
- Stepper Drive: FLKH2D1228DC
Overall Size

Motor 4 Leads Connection: A+(Black), A-(Green); B+(Red), B-(Blue)
If you need a PDF data sheet, please send the email to: info@frankhumotor.com!
Reviews
There are no reviews yet.