NEMA 17 40mm Dual Shaft: This size 42mm dual shaft NEMA 17 hybrid bipolar stepping motor has a 1.8° step angle(200 steps/revolution) and a moderate body length 40mm. Each phase draws current 1.68A, allowing for a strong holding torque of 0.45Nm. A length of 15mm rear shaft is available.
NEMA 17 40mm Dual Shaft Specification
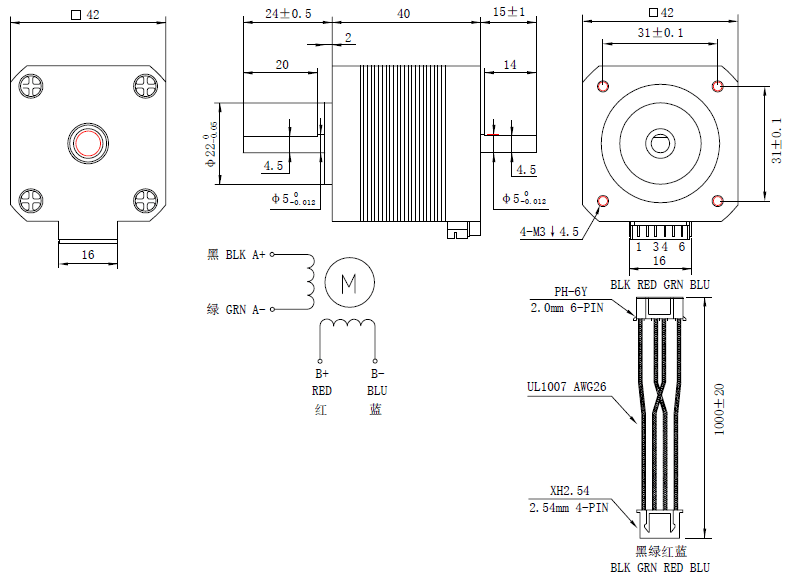
- Part Number: 42AI40-1684B
- Step Angle: 1.8deg
- Bipolar/Unipolar: Bipolar
- Holding Torque: 0.45Nm
- Rated Current/phase: 1.68A
- Phase Resistance: 1.95ohms
- Inductance: 4.4mH
- Driving Voltage: 12-24VDC
- Frame Size: 42x42mm
- Body Length: 40mm
- Front Shaft Diameter: Φ5mm
- Front Shaft Length: 24mm
- D-cut Length: 20mm
- Rear Shaft Diameter: Φ5mm
- Rear Shaft Length: 15mm
- D-cut Length: 14mm
- Number of Leads: 4
- Lead Length: 1000mm
- Weight: 300g
- Stepper Drive: FLKH2D1228DC
Overall Size

Motor 4 Leads Connection: A+(Black), A-(Green); B+(Red), B-(Blue)
If you need a PDF data sheet, please send the email to: info@frankhumotor.com!
Reviews
There are no reviews yet.