This round size 63mm DC Motor is a standard 24 voltage brushed DC motor with double shaft. Generating a high power 125W and a strong torque 0.6Nm at 2000RPM. A length of 15mm rear shaft is deisgned for special applications.

63mm DC Motor Specification:
Part Number: 63AI125-2420B
Rated Voltage: 24V
Rated Current: 8.5A
Rated Power: 125W
No-loaded Current: 1.1A Max
No-loaded Speed: 2600RPM
Rated Speed: 2000RPM
Rated Torque: 0.6Nm
Insulation Class: B
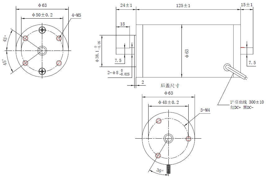
Frame Size: Φ63mm
Motor Length: 125mm
Front Shaft Diameter: Φ8mm
Shaft Length: 24mm
Rear Shaft Diameter: Φ8mm
Rear Shaft Length: 15mm
Number of Leads: 2
Lead Length: 300mm
Weight: 1.5kg
Overalll Size

Motor Connection: Red(DC+), Black(DC-)
If you need a PDF data sheet, please feel free to email: info@frankhumotor.com.
Reviews
There are no reviews yet.