36mm Geared Motor 150RPM: This 36AI50-PG series brushless 12V dc motor is intagrated with a gear ratio of 27:1 planetary gearbox, which leads to a rated speed 70RPM and rated torque 0.8Nm. It has 5 wires connection with built-in sensor hall drive board so the motor can be operated directly by electricity. It is widely used in household appliances, office automation, bank equipment, medical devices, intelligent robots, etc.
36mm Geared Motor 150RPM Specification
- Part Number: 36AI50-12V-PG27
Rated Voltage: 12VDC
Rated Power: 10W
Reduction Ratio: 27:1
Rated Torque: 0.8Nm
No-load Speed: 150RPM
Rated Speed: 70RPM
Rated Current: 1.8A
Insulation Class: B
Sensor Type: Hall
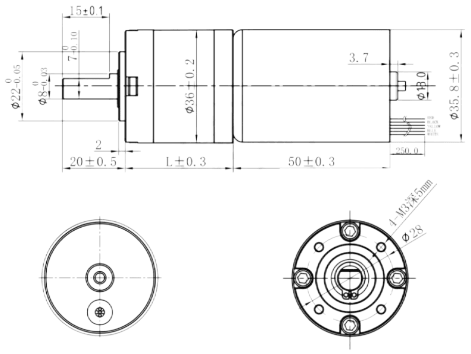
Body Length: 84.5mm
Shaft Diameter: Φ8mm
Shaft Length: 20mm
D-cut Length: 15mm
Weight: 0.6KG
Overall Size

Reviews
There are no reviews yet.